Looking For Anything Specific?

6 Pin Momentary Rocker Switch Wiring Diagram - How To Wire A Dpdt Rocker Switch For Reversing Polarity 5 Steps Instructables - A wide variety of rocker switch wiring diagram options are available to you quality assurance momentary carling lighted 5 terminals 5 pin rocker switch wiring diagram.

6 Pin Momentary Rocker Switch Wiring Diagram - How To Wire A Dpdt Rocker Switch For Reversing Polarity 5 Steps Instructables - A wide variety of rocker switch wiring diagram options are available to you quality assurance momentary carling lighted 5 terminals 5 pin rocker switch wiring diagram.. 7 pin rocker switch wiring on white led pin momentary on off rocker switch dpdt for narva arb carling style replacement marine grade in car switches relays from also rh aliexpress. 6 pin dpdt switch wiring diagram source. 3 lin buses max, 15 nodes per bus 5 rheostat limit per system. Switches, auto parts, indicator lights, guitar pedal parts and so on. The wiring will be different the diagram the op made at the bottom is simply him asking if that is the correct wiring for his it's a standard push button momentary switch.

To properly read a wiring diagram, one has to find out how the particular components within the program operate. Electric motor relay wiring wiring diagrams. Features single pole.187 quick connect terminals fits standard panel cutout high inrush capability shallow base design. Terminal connections as viewed from bottom of switch single pole uses 1, 2, and 3. The pictures of the pins on the purchase item are different.

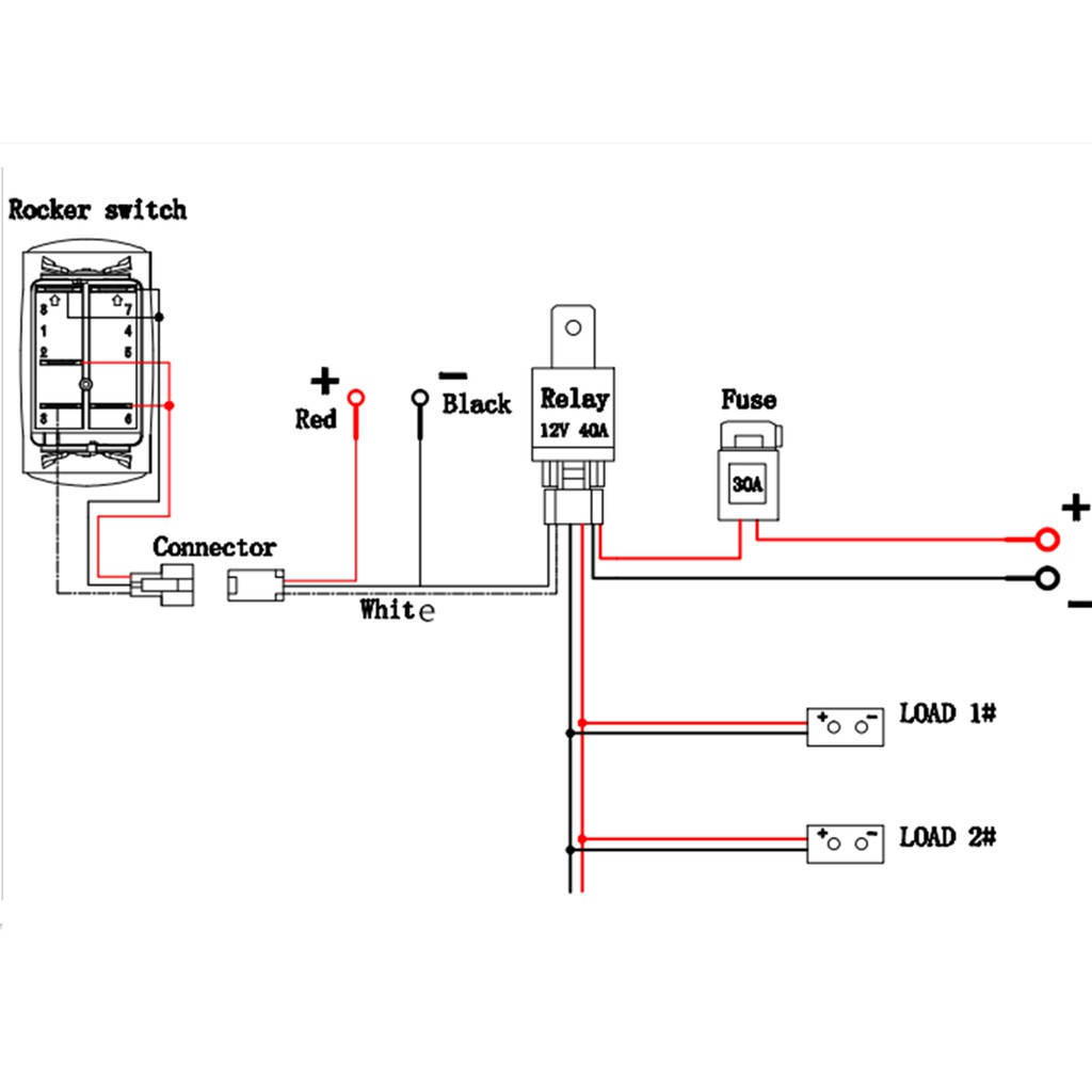
Rocker Switch Wiring Diagrams New Wire Marine
Rocker Switch Wiring Diagrams New Wire Marine from 2ryul01momzwnfgn01s3t1kg-wpengine.netdna-ssl.com
Electric motor relay wiring wiring diagrams. Everybody knows that reading 6 pin rocker switch wiring diagram free picture is helpful, because we can easily get enough detailed information online through the resources. How to wire a rocker switch to a circuit is a common query many people have. The pictures of the pins on the purchase item are different. Please download these 6 pin toggle switch wiring diagram by using the download button, or right click selected image, then use save image menu. A wide variety of rocker switch wiring diagram options are available to you quality assurance momentary carling lighted 5 terminals 5 pin rocker switch wiring diagram. You are sending power from the common terminal (2) to either on the other hand, your diagram has the red being positive. A rocker switch is a switch which consists of a piece which rocks back and forth in response to.

Rocker switch wiring diagram electrical connections function power this is the pin where the rocker switch.

There is the basic on/off rocker switch that we're are all familiar with but not everybody knows how to wire, and then there's also the lighted variety that. Rheostat wheel rotation = 190°, with detent at 67.6°. Typically a dpdt toggle switch has a center off position, possibly a momentary position too… while a dpdt slide switch type can be positioned anywhere? 7 pin rocker switch wiring on white led pin momentary on off rocker switch dpdt for narva arb carling style replacement marine grade in car switches relays from also rh aliexpress. We also have marine specific rocker switch wiring diagrams toward the bottom of this page. Terminal connections as viewed from bottom of switch single pole uses 1, 2, and 3. Switch rocker rotation = 12° from center. They are sold all over the internet but few come with a diagram or instructions and while a very simple job it helps to. They usually have six terminals are available in both momentary and maintained contact versions. Wiring a momentary dpdt switch. View our collection of helpful rocker switch wiring diagrams. ' rocker switch, contact form dpdt, number of connections 6, switch function momentary on/off/momentary on, terminals 0.250 in. For the led rocker switch, pay careful attention to the position of your ground, power and acc pins, follow the diagram below, (it uses oznium's led round rocker switch with recommended mounting hole diameter of.

We also have marine specific rocker switch wiring diagrams toward the bottom of this page. I simply have a 3 pole switch that i want to use problem is no matter how i seem to wire it i can't get the light to come and the unit to power on. Features single pole.187 quick connect terminals fits standard panel cutout high inrush capability shallow base design. ' rocker switch, contact form dpdt, number of connections 6, switch function momentary on/off/momentary on, terminals 0.250 in. A wiring diagram is a straightforward visual representation from the physical connections and physical layout of an electrical system or circuit.

6 Pin Push Switch Working Hackster Io
6 Pin Push Switch Working Hackster Io from hackster.imgix.net
Dpdt switch wiring diagram guitar refrence carling dpdt rocker. Features single pole.187 quick connect terminals fits standard panel cutout high inrush capability shallow base design. New dpdt relay diagram • electrical outlet symbol 2018. Connections are as per the attached diagram i've drawn. A wiring diagram is a straightforward visual representation from the physical connections and physical layout of an electrical system or circuit. To properly read a wiring diagram, one has to find out how the particular components within the program operate. For instance , in case a module i printing the schematic plus highlight the circuit i'm diagnosing to be able to make sure i'm staying on the path. For the led rocker switch, pay careful attention to the position of your ground, power and acc pins, follow the diagram below, (it uses oznium's led round rocker switch with recommended mounting hole diameter of.

Typically a dpdt toggle switch has a center off position, possibly a momentary position too… while a dpdt slide switch type can be positioned anywhere?

Everybody knows that reading 6 pole momentary rocker switch wiring diagram is beneficial, because we could get too much info online from your resources. For the led rocker switch, pay careful attention to the position of your ground, power and acc pins, follow the diagram below, (it uses oznium's led round rocker switch with recommended mounting hole diameter of. A rocker switch is a switch which consists of a piece which rocks back and forth in response to. The wiring diagram below will demonstrate how to to wire and power this 12v. Wiring a momentary dpdt switch. Anyway, has anyone had any experiences using these illuminated rocker switches in their build? A wiring diagram is a straightforward visual representation from the physical connections and physical layout of an electrical system or circuit. Rocker switch mounting panels are the housing assemblies that hold the switch mechanisms and their internal wiring connections when. For instance , in case a module i printing the schematic plus highlight the circuit i'm diagnosing to be able to make sure i'm staying on the path. Please download these 6 pin toggle switch wiring diagram by using the download button, or right click selected image, then use save image menu. Rocker switches are electrical switches actuated by a standard or dual rocker or paddle. The pictures of the pins on the purchase item are different. Switch rocker rotation = 12° from center.

If the example you show is correct for your winch then take. I simply have a 3 pole switch that i want to use problem is no matter how i seem to wire it i can't get the light to come and the unit to power on. Features single pole.187 quick connect terminals fits standard panel cutout high inrush capability shallow base design. To properly read a wiring diagram, one provides to know how the components within the system operate. 7 pin rocker switch wiring on white led pin momentary on off rocker switch dpdt for narva arb carling style replacement marine grade in car switches relays from also rh aliexpress.

Rocker Switch Wiring Diagrams New Wire Marine
Rocker Switch Wiring Diagrams New Wire Marine from 2ryul01momzwnfgn01s3t1kg-wpengine.netdna-ssl.com
They are sold all over the internet but few come with a diagram or instructions and while a very simple job it helps to. 7 pin rocker switch wiring on white led pin momentary on off rocker switch dpdt for narva arb carling style replacement marine grade in car switches relays from also rh aliexpress. For example , if a module is usually i printing the schematic plus highlight the routine i'm diagnosing to make sure i'm staying on the path. Douple pole uses 1, 2, 3 and 4, 5, 6 ( ) = momentary. 1000 x rocker switch wiring diagrams | new wire marine the vmdj is a unique dpdt momentary rocker switch. The wiring diagram below will demonstrate how to to wire and power this 12v. Rocker switch mounting panels are the housing assemblies that hold the switch mechanisms and their internal wiring connections when. Terminal connections as viewed from bottom of switch single pole uses 1, 2, and 3.

For the led rocker switch, pay careful attention to the position of your ground, power and acc pins, follow the diagram below, (it uses oznium's led round rocker switch with recommended mounting hole diameter of.

Rocker switch mounting panels are the housing assemblies that hold the switch mechanisms and their internal wiring connections when. Popular ebook you must read is 6 pole momentary rocker switch wiring diagram. I simply have a 3 pole switch that i want to use problem is no matter how i seem to wire it i can't get the light to come and the unit to power on. Douple pole uses 1, 2, 3 and 4, 5, 6 ( ) = momentary. Everybody knows that reading 6 pole momentary rocker switch wiring diagram is beneficial, because we could get too much info online from your resources. Building circuitry diagrams show the approximate places and interconnections of receptacles, illumination, and irreversible electrical solutions in a structure. The pictures of the pins on the purchase item are different. Paddle or rocker actuators and a choice of solder lug,.250 tab and wire lead terminations enable this withstands extreme temperatures. View our collection of helpful rocker switch wiring diagrams. There is the basic on/off rocker switch that we're are all familiar with but not everybody knows how to wire, and then there's also the lighted variety that. Electric motor relay wiring wiring diagrams. The vmdj is a unique dpdt momentary rocker switch. For instance , in case a module i printing the schematic plus highlight the circuit i'm diagnosing to be able to make sure i'm staying on the path.

You are sending power from the common terminal (2) to either on the other hand, your diagram has the red being positive 6 pin rocker switch wiring. With no relay, wire the switch as.

Posting Komentar

0 Komentar